量身定制
拒絕模板 定制風格

量身定制
拒絕模板 定制風格

軟裝搭配
細節搭配決定細節

“0增項”
您不增項 絕不加價

環保承諾
材料E0 環保檢測

一站式省心
消防空調軟轉全搞定
8.1 一般規定
8.1.1 本條規定了對空氣調節的要求,為新增條文。
空氣調節的目的有兩個,一個是以滿足工業生產工藝或產品對室內空氣環境參數要求為目的,稱為工藝性空氣調節;另一個是以滿足人體對室內空氣熱濕環境要求及健康要求為目的,稱為舒適性空氣調節。本規范主要針對工藝性空氣調節,因此明確規定“工藝性空氣調節應滿足生產工藝或產品對空氣環境參數的要求”是必要的。當設計生產環境有人員的工藝性空氣調節時,應首先滿足生產工藝對空氣環境參數的要求,在此前提下兼顧考慮人員的熱舒適及健康要求。當工業建筑中以滿足人員的舒適性要求為主時,空氣調節設計應符合現行國家標準《民用建筑供暖通風與空氣調節設計規范》GB 50736中的相關規定。
8.1.2 本條規定了設置空氣調節的條件。
1 對于工業建筑,生產工藝的室內溫度、濕度計潔凈度條件是必須滿足的,當采用供暖通風不能達到生產工藝對環境的要求,一般指夏季室外溫度較高,無法用通風的方式滿足降溫的情況,如發熱量較大的配電室等場合,若采用通風方式降溫,夏季不能達到室內溫度要求;或者冬季采暖雖然能滿足室內溫度要求,但不能滿足室內濕度要求的情況;或者室內潔凈度要求較高的情況,所以設置空氣調節。
2 為了有利于提高了人員的勞動生產率和工作效率,延長設備使用壽命,降低設備生命周期費用,增加了經濟效益。
3 隨著經濟水平的提高,空氣調節的應用也日益廣泛,為了改善勞動條件,滿足衛生要求,有益于人員的身體健康,都應設置空氣調節。
4 有利于提高和保證產品質量是指產品生產或儲存中,對室內溫度、濕度、潔凈度有特殊的要求。
8.1.3 本條是關于工業建筑空氣調節區的面積,散熱、散濕設備和設置全室性空氣調節的規定。
在滿足生產工藝要求的前提下,盡可能減少空氣調節區的面積和體積,其目的是為了節約空氣調節投資、減少空氣調節用能、降低空氣調節運行費用。
空氣調節區的散熱、散濕設備越少,則冷、濕負荷越小,越有利于控制達到溫、濕度的要求,同時也比較經濟。因此條文規定,在滿足生產工藝要求的條件下,宜減少空氣調節區的散熱、散濕設備。
對于工藝性空氣調節,宜采取經濟有效的局部工藝措施或局部區域的空氣調節代替全室性空氣調節,以達到節能降耗的目的。如儲存受潮后易生銹的金屬零件。若采用全室性空氣調節保持低溫要求是不經濟的,而在工藝上采用干燥箱儲存這些零件是行之有效的好辦法,又如,電表廠的標準電阻要求溫度波動小,而將標準電阻放在油箱內用半導體制冷,保持油箱內的溫度就可不設全室性空氣調節;對于工業廠房內個別設備或工藝生產線有空氣調節要求,采用罩子等將其隔開,在此局部區域內進行空氣調節,既可滿足工藝要求,又比整個區域空氣調節節約投資并節能。
8.1.4 本條規定了工業建筑的高大空間分層空氣調節的要求。
對于工業建筑的高大空間,當生產工藝或使用要求允許僅在下部作業區域設計空氣調節時,應采用分層式送風或下部送風的氣流組織方式,以達到節能的目的。本次修訂將原規范第6.1.2條中的高大空間分層空氣調節的規定成為單獨的條文,并改為適用于“工業建筑”,是為了響應工業建筑節能及空氣調節節能設計要求,強化空氣調節節能設計。有些場所無法實現側送風,只能頂部送風,因此規定“宜”采用分層式空氣調節方式。
大面積廠房如紡織廠,廠房內工藝設備區和操作人員區可以有不同的溫、濕度要求,但兩個區域之間無隔間,這時也可采用分區設不同空氣調節系統,對節能有顯著效果,已在很多工廠應用。
8.1.5 本條規定了空氣調節區內的空氣壓差要求。
空氣調節區內的空氣壓力不僅影響空氣的流動,而且還影響著空氣調節區的環境參數控制和新風比及能耗,因此在設計上需要重視。如果空氣調節區的空氣壓力為負壓,區外空氣就會流入,從而影響空氣調節區的環境參數;如果空氣調節區的空氣壓力保持為正壓,則能防止區外空氣滲入,有利于保證空氣調節區的環境參數少受外界干擾。所以一般情況下,空氣調節區保持正壓。
對于工業建筑的生產工藝性空氣調節,不同的生產工藝有不同的要求,因此空氣調節區的空氣壓力應按工藝要求確定。通常,當環境參數不同的空氣調節區相鄰時,原則上空氣壓差的方向是:潔凈度等級較高的空氣調節區的空氣壓力大于潔凈度等級較低的空氣調節區的空氣壓力,溫、濕度波動范圍較小的空氣調節區的空氣壓力大于溫、濕度波動范圍較大的空氣調節區的空氣壓力,無污染源的空氣調節區的空氣壓力大于有污染源的空氣調節區的空氣壓力。
空氣調節系統室內正壓值不宜過小,也不宜過大,研究及大量工程實踐證明,室內正壓值一般宜為5Pa~10Pa,室內正壓值太大時,不僅會影響人體舒適感,而且會增大新風能耗,同時還會造成開門困難。
8.1.6 本條是關于空氣調節區的設計布置要求。
空氣調節區集中布置有利于減少空氣調節區外墻以及與非空氣調節區相鄰的內墻、樓板傳熱形成的冷、熱負荷,降低空氣調節系統投資及建筑保溫的造價,便于運行控制和維護管理。
8.1.7 本條規定了圍護結構的傳熱系數。
建筑物圍護結構的傳熱系數K值的大小是能否保證空氣調節區正常生產條件,影響空氣調節工程綜合造價高低、維護費用多少的主要因素之一。K值愈小,則冷負荷愈小,空氣調節系統裝機容量愈小。K值又受建筑結構與材料等投資影響,不能無限制地減小。K值的選擇與絕熱材料價格及導熱系數、室內外計算溫差、初投資費用系數、年維護費用系數以及絕熱材料的投資回收年限等各項因素相關。不同地區的熱價、冷價、電價、水價、絕熱材料價格及系統工作時間等可能不同,即使同一地區這些因素也是變化的,因此本條只給出K值的最大限值,實際應用中應通過技術經濟比較確定合理的K值。
8.1.8 本條規定了圍護結構的熱惰性指標。
熱惰性指標D是表征建筑圍護結構對溫度波衰減快慢程度的無量綱指標,D值大小直接影響室內溫度波動范圍,其值大則室溫波動范圍就小,其值小則相反。因此,本條按照室內溫度允許波動范圍的不同規定了圍護結構熱情性指標D的最小限值,恒溫空調設計時建筑圍護結構的D值不應小于表8.1.8的值。需要說明的是,雖然D值越大越有利,但增大D值意味著增加圍護結構投資,所以具體工程合理的D值應經過技術經濟比較后確定。
8.1.9 本條是關于空氣調節區外墻、外墻朝向及其所在層次的規定。
根據實測表明,對于空氣調節區西向外墻,當其傳熱系數為0.34W/(m2·℃)~0.40W/(m2·℃),室內、外溫差為10.5℃~24.5℃時,距墻面100mm以內的空氣溫度不穩定,變化在±0.3℃以內,距墻面100mm以外時,溫度就比較穩定了。因此對于室溫允許波動范圍大于或等于±1.0℃的空氣調節區來說,有西向外墻也是可以的,對人員活動區的溫度波動不會有什么影響。從減少室內冷負荷出發,則宜減少西向外墻以及其他朝向的外墻;如有外墻時,最好為北向,且應避免將空氣調節區設置在頂層。
為了保持室溫的穩定性和不減少人員活動區的范圍,對于室溫允許波動范圍為±0.5℃的空氣調節區,不宜有外墻,如有外墻,應北向;對于室溫允許波動范圍為±(0.1~0.2)℃的空氣調節區,不應有外墻。
屋頂受太陽輻射熱的作用后,能使屋頂表面溫度升高35℃~40℃,屋頂溫度的波幅可達±28℃。為了減少太陽輻射熱對室溫波動要求小于或等于±0.5℃空氣調節區的影響,所以規定當其在單層建筑物內時,宜設通風屋頂。
在北緯23.5°及其以南的地區,北向與南向的太陽輻射強度相差不大,且均較其他朝向小,可采用南向或北向外墻。對于本規范第8.1.10條來說,則可采用南向或北向外窗。
8.1.10 過渡季空調系統不運行時,利用外窗自然通風,可開啟外窗面積應滿足自然通風的需要。
8.1.11 本條規定了工藝性空氣調節區的外窗朝向。
根據調查、實測和分析:當室溫允許波動范圍大于±1.0℃時,從技術上來看,可以不限制外窗朝向,但從降低空氣調節系統造價考慮,應盡量采用北向外窗;室溫允許波動范圍為±1.0℃的空氣調節區,由于東、西向外窗的太陽輻射熱可以直接進入人員活動區,不應有東、西向外窗,據實測,室溫允許波動范圍為±0.5℃的空氣調節區,對于雙層毛玻璃的北向外窗,室內外溫差為9.4℃時,窗對室溫波動的影響范圍在200mm以內,如果有外窗,應北向。
8.1.12 本條規定了設置門斗的要求。
從調查來看,一般空氣調節區的外門均設有門斗,內門指空氣調節區與非空氣調節區或走廊相通的門,一般也設有門斗。走廊兩邊都是空氣調節區的除外,在這種情況下,門斗設在走廊的兩端。與鄰室溫差較大的空氣調節區,設計中也有未設門斗的,但在使用過程中,由于門的開啟對室溫波動影響較大,因此在后來的運行管理中也采取了一定的措施。按北京、上海、南京、廣州等地空氣調節區的實際使用情況,規定門兩側溫差大于或等于7℃時,應采用保溫門;同時對室內溫度波動范圍要求較嚴格的工藝性空氣調節區的內門和門斗作了如條文中表8.1.12的相關規定。
8.1.13 本條是關于全空氣空調系統可變新風比的規定,為新增條文。
本條規定主要是從空調系統節能及保證室內空氣質量來考慮的,因為不少工業建筑的空氣調節區內生產工藝設備散熱形成的空調冷負荷遠大于建筑圍護結構傳熱形成的冷負荷,有些甚至需要全年供冷,從空調系統運行節能考慮,這種場合的空調系統設計應能實現在過渡季節充分利用外部自然冷源,即當室外空氣焓值低于空氣調節區焓值時,空調系統可實現加大新風量直至全新風運行的運行模式,從而減少冷水機組運行時間和臺數,實現系統運行節能。當室外新風質量符合空氣調節區要求且空氣調節區有可開啟的外窗時,則開窗自然通風更有利于節能;當室外新風質量不符合空氣調節區要求時,就不能開啟外窗自然通風,必須開啟空氣調節系統機械送排風,這就要求系統能實現全新風運行,所以系統設計時就要設計有能實現全新風運行的技術措施及調節控制設備。
實現全新風運行的措施包括空調機組配備雙風機(送風機及回風機)或者另設專用的排風機,新風口及新風道按照總風量設計。
8.1.14 本條是關于工業建筑空氣調節系統進行方案優化的原則,為新增條文。
對建筑規模較大、生產工藝功能復雜、空氣調節區環境參數要求較高的工業建筑,在選擇確定空氣調節設計方案時,宜對各種可行的方案及運行模式進行全年能耗模擬計算分析,綜合考慮系統能耗、投資、運行維護費用,并進行技術、經濟比較,才能使系統的設計配置最合理,運行模式及控制策略最優化。
8.2 負荷計算
8.2.1 本條是關于逐時冷負荷的計算規定。
近年來,全國各地暖通工程設計過程中濫用單位冷負荷指標的現象十分普遍。估算的結果當然總是偏大,并由此造成“一大三大”的后果,即總負荷偏大,從而導致主機偏大、管道輸送系統偏大、末端設備偏大。由此帶來初投資較高,運行不經濟,給國家和投資者造成損失,給節能和環保帶來的潛在問題也是顯而易見的。因此,規范必須對這個問題有個明確的規定。
工業建筑一般是以工藝設備發熱量為主要得熱量,圍護結構得熱量占有的比例較小,本條規定空氣調節區的冷負荷在高階段設計可采用冷負荷指標法計算,而施工圖設計時應逐項逐時計算,因此本條不再作為強制性條文。
8.2.2 本條規定了空氣調節系統的冬季熱負荷。
空氣調節區的冬季熱負荷與供暖房間的熱負荷,計算方法是一樣的,只是當空氣調節區有足夠的正壓時,不必計算經由門窗縫隙滲入室內冷空氣的耗熱量。但是考慮到空氣調節區內熱環境條件要求較高,空氣調節區溫度的不保證時間應少于一般供暖房間,因此在選取室外計算溫度時,規定采用歷年平均每年不保證1天的日平均溫度值,即應采用冬季空氣調節室外計算溫度。
空氣調節廠房冬季熱負荷應按本規范第5.2節的方法計算,當工藝設備具有穩定的散熱量時,廠房的熱負荷應扣除這部分得熱量。
8.2.3 本條規定了空氣調節區的夏季得熱量。
在計算得熱量時,只能計算空氣調節區域得到的熱量,包括空氣調節區自身的得熱量和由空氣調節區外傳入的得熱量,如分層空氣調節中的對流熱轉移和輻射熱轉移等,處于空氣調節區域之外的得熱量不應計算。工業建筑的高大空間采用分層空調方式時,需計算上部空間向空調區的熱轉移量;采用局部空調或分區空調方式時,應計算其他區域向計算空調區的熱轉移量。
8.2.4 本條規定了空氣調節區的夏季冷負荷。
本條規定了計算夏季設計冷負荷所應考慮的基本因素,指出得熱量與冷負荷是兩個不同的概念;明確規定了應按非穩態傳熱方法進行冷負荷計算的各種得熱項目,并提出對于工業建筑工藝性空氣調節,往往設計冷負荷的絕大部分是由生產工藝設備散熱等室內熱源得熱量形成的,冷負荷計算時要特別重視這一特點。
以空氣調節房間為例,通過圍護結構進入房間的以及房間內部散出的各種熱量稱為房間得熱量;為保持所要求的室內溫度必須由空氣調節系統從房間帶走的熱量稱為房間冷負荷。兩者在數值上不一定相等,取決于得熱中是否含有時變的輻射成分。當時變的得熱量中含有輻射成分時或者雖然時變得熱曲線相同但所含的輻射百分比不同時,由于進入房間的輻射成分不能被空氣調節系統的送風消除,只能被房間內表面及室內各種陳設所吸收、反射、放熱、再吸收,再反射、再放熱……在多次放熱過程中,由于房間及陳設的蓄熱一放熱作用,得熱當中的輻射成分逐新轉化為對流成分,即轉化為冷負荷。顯然,此時得熱曲線與負荷曲線不再一致,比起前者,后者線型將產生峰值上的衰減和時間上的延遲,這對于削減空氣調節設計負荷有重要意義。
8.2.5 本條規定了室外或鄰室計算溫度。
8.2.6、8.2.8 這幾條規定了外墻、屋頂和外窗傳熱形成的逐時冷負荷。
第8.2.6條提醒設計人員在進行局部區域空氣調節負荷計算時,不要把不處于空氣調節區的屋頂形成的負荷全部考慮進去。
冷負荷計算溫度的確定過程比較復雜,而且有不同的計算方法,國內一些技術手冊中均有現成的表格可查。在此必須說明,本條用冷負荷計算溫度計算冷負荷的公式是基于國內各種計算方法的一種綜合的表達形式,并不是特指某一種具體計算方法。
對于一般要求的空氣調節區,由于室外擾動因素經歷了圍護結構和空氣調節區的雙重衰減作用,負荷曲線已相當平緩,為減少計算工作量,對非輕型外墻,室外計算溫度可采用平均綜合溫度代替冷負荷計算溫度。
8.2.9 本條規定了內圍護結構傳熱形成的冷負荷。
當相鄰空氣調節區的溫差大于3℃時,通過隔墻或樓板等傳熱形成的冷負荷在空氣調節區的冷負荷中占有一定比重,在某些情況下是不宜忽略的,因此作了本條規定。
8.2.10 本條規定了地面傳熱形成的冷負荷。
對于工藝性空氣調節區,當有外墻時,距外墻2m范圍內的地面受室外氣溫和太陽輻射熱的影響較大,測得地面的表面溫度比室溫高1.2℃~1.26℃,即地面溫度比西外墻的內表面溫度還高。分析其原因,可能是混凝土地面的K值比西外墻的要大一些的緣故,所以規定距外墻2m范圍內的地面宜計算傳熱形成的冷負荷。
本條所指的“其他情況”,是對于舒適性空氣調節區,夏季通過地面傳熱形成的冷負荷所占的比例很小,可以忽略不計。
8.2.11 本條規定了透過玻璃窗進入的太陽輻射熱量。
對于有外窗的空氣調節區,透過玻璃窗進入室內的太陽輻射熱形成的冷負荷在空氣調節區總負荷中占有舉足輕重的地位。因此,正確計算透過窗戶進入室內的太陽輻射熱量十分重要。本規范附錄D所列夏季透過標準窗玻璃的太陽輻射照度是針對裸露的單位凈面積標準窗玻璃給出的。對于實際使用的玻璃窗,當計算其透過太陽輻射熱量時,則不但要考慮窗框、窗玻璃種類及窗戶層數的影響,更重要的是要考慮各種遮陽物的影響,其中包括內遮陽設施、外遮陽設施(包括窗洞、窗套的遮陽作用)以及位于空氣調節建筑物附近的高大建筑物和構筑物的影響。一些遮陽設備的遮陽作用則應通過建筑光學中關于陰影的計算方法加以考慮。
8.2.12 本條規定了透過玻璃窗進入的太陽輻射熱形成的冷負荷。
由于透過玻璃窗進入空氣調節區的太陽輻射熱量隨時間變化,而且其中的輻射成分又隨著遮陽設施類型和窗面送風狀況的不同而異,因此這項得熱量形成的冷負荷應根據實際采用的遮陽方法、窗內表面空氣流動狀態以及空氣調節區的蓄熱特性計算確定。由于計算過程比較復雜,可直接使用專門的計算表格或計算機程序求解。
8.2.13 本條是關于人體、照明和設備等散熱形成的冷負荷的規定。
非全天工作的照明、設備、器具以及人員等室內熱源散熱量,因具有時變性質,且包含輻射成分,所以這些散熱曲線與它們所形成的負荷曲線是不一致的。根據散熱的特點和空氣調節區的熱工狀況,按照負荷計算理論,依據給出的散熱曲線可計算出相應的負荷曲線。在進行具體的工程計算時,可直接查計算表或使用計算機程序求解。
人員群集系數系指人員的年齡構成、性別構成以及密集程度等情況的不同而考慮的折減系教。年齡不同和性別不同,人員的小時散熱量就不同。如成年女子的散熱量約為成年男子散熱量的85%,兒童散熱量相當于成年男子散熱量的75%。
設備的功率系數系指設備小時平均實耗功率與其安裝功率之比。
設備的“通風保溫系數”系指考慮設備有無局部排風設施以及設備熱表面是否保溫而采取的散熱量折減系數。
8.2.14 本條規定了空氣調節區的夏季散濕量。
空氣調節區的計算散濕量直接關系到空氣處理過程和空氣調節系統的冷負荷。把散濕量的各個項目一一列出,單獨形成一條,是為了把濕量問題提得更加明確,并且與本規范第8.2.3條第8款相呼應,強調了與顯熱得熱量性質不同的各項有關的潛熱得熱量。
8.2.15 本條規定了散濕量的計算。
本條所說的“人員群集系數”,指的是集中在空氣調節區內的各類人員的年齡構成、性別構成和密集程度不同而使人均小時散濕量發生變化的折減系數。如兒童和成年女子的散濕量約為成年男子相應散濕量的75%和85%。考慮人員群集的實際情況,將會把以往計算偏大的濕負荷降低下來。
“通風系數”系指考慮散濕設備有無排風設施而采用的散濕量折減系數。當按照本規范第8.2.13條從有關工具書中查找通風保濕系數時,“設備無保溫”情況下的通風保溫系數值即為本條的通風系數值。
8.2.16 本條是關于空氣調節區、空氣調節系統、空調冷源夏季冷負荷的規定。
根據空氣調節區的同時使用情況、空氣調節系統類型及控制方式等各種情況的不同,在確定空氣調節系統夏季冷負荷時,主要有兩種不同算法:一個是取同時使用的各空氣調節區逐時冷負荷的綜合最大值,即從各空氣調節區逐時冷負荷相加之后得出的數列中找出的最大值;一個是取同時使用的各空氣調節區夏季冷負荷的累計值,即找出各空氣調節區逐時冷負荷的最大值并將它們相加在一起,而不考慮它們是否同時發生。后一種方法的計算結果顯然比前一種方法的結果要大。例如:當采用變風量集中式空氣調節系統時,由于系統本身具有適應各空氣調節區冷負荷變化的調節能力,此時即應采用各空氣調節區逐時冷負荷的綜合最大值;當末端設備沒有室溫控制裝置時,由于系統本身不能適應各空氣調節區冷負荷的變化,為了保證最不利情況下達到空氣調節區的溫濕度要求,即應采用各空氣調節區夏季冷負荷的累計值。
空調系統附加冷負荷,包括空氣通過風機、風管的溫升引起的冷負荷,以及空氣處理過程產生冷熱抵消現象引起的附加冷負荷等。空調冷源附加冷負荷,包括冷水通過水泵、水管、水箱的溫升引起的冷負荷。
8.3 空氣調節系統
8.3.1 本條規定了選擇空氣調節系統的原則。
本條是選擇空氣調節系統的總原則,其目的是為了在滿足使用要求的前提下,盡量做到節省一次投資、系統運行經濟、減少能耗。
8.3.2 本條規定了空氣調節風系統的劃分。
1 考慮到將不同要求的空氣調節區放置在一個空氣調節系統中難以控制、影響使用,所以強調不同要求的空氣調節區宜分別設置空氣調節風系統。但有適應不同區域不同要求的措施時,如采用設有末端裝置的變風量系統或采用分區送風型空氣處理裝置時,可合設。
5 同一時段需供冷和供熱的空氣調節區,指不同朝向空氣調節區、外區與內區等。內、外區負荷特性相差很大,尤其是冬季或過渡季,常常外區需送熱時,內區因過熱需全年送冷,過渡季節朝向不同的空氣調節區也常需要不同的送風參數,推薦按不同區域分別設置空氣調節風系統,易于調節及滿足使用要求。
8.3.3 本條規定了全空氣定風量空氣調節系統的選擇設計。
(1)空氣系統存在風管占用空間較大的缺點,但人員較多的空氣調節區新風比例較大。與風機盤管加新風等空氣-水系統相比,多占用空間不明顯;人員較多的大空間空氣調節負荷和風量較大,便于獨立設置空氣調節風系統。因而不存在多空氣調節區共用全空氣定風量系統難以分別控制的問題;全空氣定風量系統易于改變新回風比例,必要時可實現全新風送風,能夠獲得較大的節能效果;全空氣系統的設備集中,便于維修管理。因此推薦在大空間建筑中采用。
(2)全空氣定風量系統易于消除噪聲、過濾凈化和控制空氣調節區溫、濕度,且氣流組織穩定,因此推薦用于要求較高的工藝性空氣調節系統。
8.3.4 本條規定了一次回風系統的選擇。
目前,定風量系統多采用改變冷熱水水量控制送風溫度,而不常采用變動一、二次回風比的復雜控制系統,且變動一、二次回風比會影響室內相對濕度的穩定,也不適用于散濕量大,溫、濕度要求嚴格的空氣調節區;因此一般工程推薦系統簡單、易于控制的一次回風系統。
采用下送風方式的空氣調節風系統以及潔凈室的空氣調節風系統(按潔凈要求確定的風量往往大于以負荷和允許送風溫差計算出的風量),其允許進風溫差都較小,為避免再熱量的損失,不宜采用一次回風的全空氣定風量空氣調節系統,可以使用二次回風系統。
8.3.5 本條規定了設置進風機、回風機的雙風機空氣調節系統的選擇。
僅有送風機的單風機空氣調節系統簡單、占地少、一次投資省、運轉耗電量少,因此常被采用。在需要變換新風、回風和排風量時,單風機空氣調節系統存在調節困難、空氣調節處理機組容易漏風等缺點:在系統阻力大時,風機風壓高,耗電量大,噪聲也較大。因此,宜采用雙風機空氣調節系統。
8.3.6 本條規定了變風量空氣調節系統的選擇。
由于變風量系統的風量變化范圍有一定的限制,且濕度不易控制,因此規定不宜用在溫、濕度精度要求高的工藝性空氣調節區;變風量系統末端裝置由于控制等需要較高的風速、風壓,末端閥門的節流及設小風機等都會產生較高噪聲;因此不適用于噪聲要求嚴格的空氣調節區。變風量系統比其他空氣調節系統造價高,比風機盤管加新風系統占據空間大,使用前應經技術經濟比較,技術經濟合理時可采用。
1 負擔多個空氣調節區,各空氣調節區負荷變化較大時,采用各個空調區分別設置變風量末端,或者采用空調機組分區送風集中設置變風量裝置,均可達到系統變風量的目的,從而實現分室控制溫度,以及節能運行的目的。
2 條文中增加了單個空氣調節區的全空氣變風量空氣調節系統。全空氣系統部分負荷時如果不改變空氣調節系統的送風量,要保持室內溫度只能通過減小送風溫差來達到熱量平衡,此時熱濕比線右移使室內相對濕度變大。如果采用變風量空氣調節系統,部分負荷時通過減小送風量,不但可以節省風量輸送電能,而且能夠保持較低的相對濕度,減小室內金屬零部件銹蝕。
8.3.7 本條規定了變風量空氣調節系統的設計。
1 對變風量空氣調節系統,要求采用風機調速改變系統風量以達到節能的目的;不應采用恒速風機通過改變送風閥和回風閥的開度實現變風量等簡易方法。
2 當進風量減少時,新風量也隨之減少,會產生新風不滿足衛生要求的后果因此強調應采取保證最小新風量的措施。
3 本款是對空氣調節區可變風量范圍的要求。
4 變風量的末端裝置是指送風口處的風量是變化的,不包括送風口處風量恒定的串聯式風機驅動型等末端裝置。當送風口處風量變化時,如果送風口選擇不當,會影響到室內空氣分布。但是采用串聯式風機驅動型等末端裝置時,則不存在上述問題。
8.3.8 本條規定了風機盤管加新風系統的選擇設計。
(1)風機盤管系統具有各空氣調節區可單獨調節,比全空氣系統節省空間,比帶冷源的分散設置的空氣調節器和變風量系統造價低廉等優點。
(2)“加新風系統”是指新風需經過處理,達到一定的參數要求,有組織地送入室內。本條將“經處理的新風宜直接送入室內”中的“宜”修改為“應”,是強調如果新風與風機盤管吸入口相接或只送到風機盤管的回風吊頂處,將減少室內的通風量,不利于節能。當風機盤管風機停止運行時,新風有可能從帶有過濾器的回風口吹出,不利于室內衛生;
(3)風機盤管加新風系統存在著不能嚴格控制室內溫、濕度,常年使用時冷卻盤管外部因冷凝水而滋生微生物和病菌,惡化室內空氣等缺點。因此對溫、濕度和衛生等要求較高的空氣調節區限制使用。
(4)由于風機盤管對空氣進行循環處理,一般不做特殊的過濾,所以不應安裝在機加工等油煙較多的空氣調節區,否則會增加盤管風阻力及影響傳熱。
8.3.9 本條規定了蒸發冷卻空調系統的選擇,為新增條文。
蒸發冷卻空調系統是利用室外空氣中的干、濕球溫度差所具有的“天然冷卻能力”,通過水與空氣之間的熱濕交換,對被處理的空氣或水進行降溫處理,以滿足室內溫、濕度要求的空調系統。
1 在室外氣象條件滿足要求的前提下,推薦在夏季空調室外計算濕球溫度較低的干燥地區(通常在低于23℃的地區),如新疆、西藏、青海、寧夏、甘肅、內蒙古、陜西、云南等干熱氣候區,采用蒸發冷卻空調系統,降溫幅度大約能達到10℃~20℃的明顯效果。蒸發冷卻空調機組目前已在新疆、甘肅、寧夏和內蒙古等地區得到了大力推廣與應用。
2 對于工業建筑中高溫車間,如鑄造車間、熔煉車間、動力發電廠汽機房、變頻機房、通信機房(基站)、數據中心等,由于生產和使用過程散熱量較大,但散濕量較小或無散濕量,且空調區全年需要以降溫為主,這時采用蒸發冷卻空調系統或蒸發冷卻與機械制冷聯合的空調系統與傳統壓縮式空調機相比,耗電量只有其1/10~1/8。全年中過渡季節可使用蒸發冷卻空調系統,夏季部分高溫高濕季節蒸發冷卻與機械制冷聯合使用,以有利于空調系統的節能。
3 對于紡織廠、印染廠、服裝廠等工業建筑,由于生產工藝要求空調區相對濕度較高,宜采用蒸發冷卻空調系統。另外,在較潮濕地區(如南方地區),使用蒸發冷卻空調系統一般能達到5℃~10℃左右的降溫效果。江蘇、浙江、福建和廣東沿海地區的一些工業廠房,對空調區濕度無嚴格限制,且在設置有良好排風系統的情況下,也廣泛應用蒸發式冷氣機進行空調降溫。
8.3.10 本條規定了蒸發冷卻空調系統的設計要求,為新增條文。
1 蒸發冷卻空調系統的形式,按負擔空調區熱濕負荷所用的介質不同,可分為全空氣式和空氣-水式蒸發冷卻空調系統。當通過蒸發冷卻處理后的空氣能承擔空調區的全部顯熱負荷和散濕量時,應選全空氣式蒸發冷卻空調系統;當通過蒸發冷卻處理后的空氣僅承擔空調區的全部散濕量和部分顯熱負荷,而剩余部分顯熱負荷由冷水系統承擔時,系統應選用空氣-水式蒸發冷卻空調系統??諝?水式蒸發冷卻空調系統中,水系統的末端設備可選用干式風機盤管機組、輻射板或冷梁等。
2 全空氣式蒸發冷卻空調系統根據空氣處理方式,可采用直接蒸發冷卻、間接蒸發冷卻、間接-直接復合式蒸發冷卻(直接蒸發冷卻與間接蒸發冷卻組合的方式)、蒸發冷卻-機械制冷聯合式空調技術(蒸發冷卻與機械制冷混合的方式)以及除濕-蒸發冷卻(除濕與蒸發冷卻混合的方式)。
夏季空調室外計算濕球溫度低于23℃的干燥地區,其空氣處理可采用直接蒸發冷卻方式。當空調區熱濕負荷較大時,為強化冷卻效果,進一步降低系統的送風溫度,減小送風量和風管面積時,可采用復合式蒸發冷卻方式。復合式蒸發冷卻的二級蒸發冷卻是指在一個間接蒸發冷卻器后再串聯一個直接蒸發冷卻器;三級蒸發冷卻是指在兩個間接蒸發冷卻器串聯后,再串聯一個直接蒸發冷卻器;夏季空調室外計算濕球溫度在23℃~28℃的中等濕度地區,單純用復合式蒸發冷卻已無法滿足送風含濕量的要求,可采用在一個間接蒸發冷卻器后,再串聯一個空氣冷卻器(以間接蒸發冷卻為主,機械制冷為輔);夏季空調室外計算濕球溫度高于28℃的高濕度地區,既可采用在一個間接蒸發冷卻器后再串聯一個空氣冷卻器(以機械制冷為主,間接蒸發冷卻為輔),又可采用除濕與蒸發冷卻混合的方式,即采用冷凍除濕、轉輪除濕及溶液除濕等除濕方法先將被處理空氣處理到干燥地區的狀態,然后再串聯一個直接蒸發冷卻器或復合式蒸發冷卻器。
直接蒸發冷卻空調系統由于水與空氣直接接觸,其水質直接影響室內空氣質量,故其水質應符合本規范第8.5.2條的規定。
8.3.11 本條規定了多聯式空調系統的選擇。
多聯式空調系統的主要工作原理是:室內溫度傳感器控制室內機制冷劑管道上的電子膨脹閥,通過制冷劑壓力的變化,對室外機的制冷壓縮機進行變頻調速控制或改變壓縮機的運行臺數、工作氣缸數、節流閥開度等,使系統的制冷劑流量變化,達到制冷或制熱量隨負荷變化的目的。由于該空氣調節方式沒有空氣調節水系統和冷卻水系統,系統簡單,不需機房面積,管理靈活,可以熱回收,且自動化程度較高,近年已在國內一些工程中采用。該系統一次投資較高,空氣凈化、加濕以及大量使用新風等比較困難,因此應經過技術經濟比較后采用。由于制冷劑直接進入空氣調節區,且室內有電子控制設備,當用于有振動、有油污蒸氣、有產生電磁波或高次頻波設備的場所時,易引起制冷劑泄漏、設備損壞、控制器失靈等事故,不宜采用該系統。
1 使用時間接近的空調區設計為同一空調系統對運行調節有利,有利于提高部分負荷運行性能系數,建議采用。
2 制冷劑管道長度,室、內外機位置有一定限制等,是采用該系統的限制條件。
3 夏熱冬冷地區、夏熱冬暖地區、溫和地區一般不具備市政供熱管網,需全年運行時宜采用熱泵式機組。
4 近年來,一些生產廠新推出了能同時進行制冷和制熱的熱回收機組。室外機為雙壓縮機和雙換熱器,并增加了一根制冷劑連通管道;當同時需供冷和供熱時,需供冷區域蒸發器吸收的熱量通過制冷劑向需供熱區域的冷凝器借熱,達到了全熱回收的目的;室外機的兩個換熱器、需供冷區域室內機和需供熱區域室內機換熱器根據負荷的變化,按不同的組合作為蒸發器或冷凝器使用,系統控制靈活,供熱、供冷一體化,符合節能的原則,所以推薦采用這種熱回收式機組。
8.3.12 本條規定了低溫送風系統的選擇。
低溫送風系統具有以下優點:
(1)比常規系統送風溫差和冷水溫升大,送風量和循環水量小,減小了空氣處理設備、水泵、風道等的初投資,節省了機房面積和風道所占空間高度。
(2)由于冷水溫度低,制冷能耗比常規系統要高,但采用蓄冷系統時,制冷能耗發生在非用電高峰,而用電高峰期使用的風機和冷水循環泵的能耗卻有顯著的降低,因此與冰蓄冷結合使用的低溫送風系統明顯地減少了用電高峰期的電力需求和運行費用。
(3)特別適用于負荷增加而又不允許加大管道、降低層高的改造工程。
(4)加大了空氣的除濕量,降低了室內濕度,增強了室內的熱舒適性。
蓄冰空氣調節冷源需要較高的初投資,實際用電量也較大,利用蓄冰設備提供的低溫冷水與低溫送風系統結合,則可有效地減少初投資和用電量,且更能夠發揮減小電力需求和運行費用的優點,所以特別推薦使用;其他能夠提供低溫冷媒的冷源設備,如干式蒸發或利用乙烯二醇水溶液作冷媒的空氣處理機組也可采用低溫送風系統;常規冷水機組提供的5℃~7℃的冷水,也可用于空氣冷卻器的出風溫度為8℃~10℃的空氣調節系統。
低溫送風系統的空氣調節區相對濕度較低,送風量較小。因此要求濕度較高及送風量較大的空氣調節區不宜采用。
8.3.13 本條規定了低溫送風系統的設計。
1 空氣冷卻器的出風溫度:制約空氣冷卻器出風溫度的條件是冷媒溫度,如果冷卻盤管的出風溫度與冷媒的進口溫度之間的溫差(接近度)過小,必然導致盤管傳熱面積過大而不經濟,以致選擇盤管困難。送風溫度過低還會帶來以下問題:易引起風口結露;不利于風口處空氣的混合擴散;當冷卻盤管出風溫度低于7℃時,可能導致直接膨脹系統的盤管結霜和液態制冷劑帶入壓縮機。
2 送風溫升:低溫送風系統不能忽視的還有風機、風道及末端裝置的溫升,并考慮風口結露等因素,才能夠最后確定室內送風溫度及送風量。
3 空氣處理機組的選型:空氣冷卻器的迎風面風速低于常規系統,是為了減少風側阻力和冷凝水吹出的可能性,并使出風溫度接近冷媒的進口溫度;為了獲得低出風溫度,冷卻器盤管的排數和翅片密度也高于常規系統,但翅片過密或排數過多會增加風或水側阻力、不便于清洗、凝水易被吹出盤營等,應對翅片密度和盤管排數兩者權衡取舍,進行設備費和運行費的經濟比較,確定其數值;為了取得風、水之間更大的接近度和溫升及解決部分負荷時流速過低的問題,應使冷媒流過盤管的路徑較長,溫升較高,并提高冷媒流速與擾動,以改善傳熱。因此冷卻盤管的回路布置常采用管程數較多的分回路的布置方式,但增加了盤管阻力?;谏鲜鲋T多因素,低溫送風系統不能采用常規空氣調節系統的空氣處理機組,應通過技術經濟分析比較,嚴格計算,進行設計選型。本規范參考《低溫送風系統設計指南》(美國Allan T.Kirkpatrick和James S.Elleson編著,汪訓昌譯)一書,它給出了相關推薦數據。
4 低溫送風系統的保冷:由于送風溫度比常規系統低,為減少系統冷量損失和防止結露,應保證系統設備、管道及附件、末端送風裝置的正確保冷與密封,保冷層應比常規系統厚。
5 低溫送風系統的末端送風裝置;因送風溫度低,為防止低溫空氣直接進入人員活動區,尤其是采用變風量空氣調節系統,當低負荷低進風量時,對末端送風裝置的擴散性或空氣混合性有更高的要求。
8.3.14 本條規定了設置單元式空氣調節機的原則,為新增條文。
單元式空氣調節系統是指空氣調節機組帶有壓縮機、冷凝器、直接膨脹式蒸發器、空氣過濾器、通風機和自控系統等整套裝置,可直接對空氣調節區進行空氣處理,實施溫、濕度控制。整體式空氣調節機組所有部件組合成一體,分體式空氣調節機組是將部件分成室外機和室內機兩部分分別安裝。
直接膨脹式包括了風冷式和水冷式兩類。本條指出了某些需空氣調節的建筑或房間,采用分散設置的整體或分體直接膨脹式空氣調節機組比設集中空氣調節更經濟合理的幾種情況,這在工業廠房及輔助建筑中很常用。風冷小型空氣調節機組品種繁多,有風冷單冷(熱泵)空氣調節機組、冷(熱)水機組等。當臺數較多且室外機難以布置時,也可采用水冷型機組,但需設置冷卻塔,在冷卻水管的設置及運行管理上都比較麻煩,因此較少采用。直接膨脹式空調機組采用蒸發式冷凝器,制冷性能系數高,運行節能效果較好;其系列產品中制冷性能系數(COP)一般可達到3.0以上,比現行國家標準《蒸汽壓縮循環冷水(熱泵)機組 第2部分:戶用或類似用途的冷水(熱泵)機組》GB/T 18430.2中的COP規定值高出近40%,節能效果顯著,對于符合上述情況的建筑均較為適用。
單元式空氣調節系統用于空氣調節房間面積小且比較分散的場合,是比較經濟的方式。
使用時間不一致大致有以下幾種情況:一是白天工作與全天工作不一致,二是季節性工作與全年工作不一致,等等。
8.3.15 本條規定了單元整體、分體式空氣調節系統設計,為新增條文。
在氣候條件允許的條件下,采用熱泵型機組供暖比電加熱供暖節能。工業廠房一般有蒸汽或熱水供給,這時可利用集中熱源供熱。對于屋頂單元式空氣調節機,可根據需要配備機組功能段,如過濾段、新風凈化段、熱水或蒸汽加熱段等。非標準設備宜按機電一體化要求配置機組,自帶溫度控制、濕度控制、過濾器壓差報警、連鎖、自動保護等功能。
8.3.16 本條規定了直流式系統的選擇。
直流系統不包括設置回風,但過渡季可通過閥門轉換采用全新風直流運行的全空氣系統。本條是考慮節能、衛生、安全而規定的,一般全空氣調節系統不宜采用冬、夏季能耗較大的直流式(全新風)空氣調節系統,而宜采用有回風的混風系統。
8.3.17 本條規定了濕熱地區全新風空氣調節系統防止室內結露的措施。
采用房間溫度或送風溫度控制表冷器水閥開度時,有閥門全關的情況出現,這時未經除濕的新風直接送入室內,室內易出現結露現象。避免這種情況出現的方法有定露點控制加再熱方式、設定水閥不能全關、工藝允許的情況下改變送風量等。
8.3.18 本條規定了空氣調節系統的新風量。
有資料規定,空氣調節系統的新風量占進風量的百分數不應低于10%,但溫、濕度波動范圍要求很小或潔凈度要求很高的空氣調節區送風量都很大,如果要求最小新風量達到送風量的10%,新風量也很大,不僅不節能,大量室外空氣還影響了室內溫、濕度的穩定,增加了過濾器的負擔;一般舒適性空氣調節系統,按人員和正壓要求確定的新風量達不到10%時,由于人員較少,室內CO2濃度也較低(氧氣含量相對較高),沒必要加大新風量。因此本規范沒有規定新風量的最小比例(即最小新風比)。
8.3.19 本條是關于新風進風口的規定。
(1)新風進風口的面積應適應新風量變化的需要,是指在過渡季大量使用新風時,可設置最小新風口和最大新風口或按最大新風量設置新風進風口,并設調節裝置,以分別適應冬夏和過渡季節新風量變化的需要。
(2)系統停止運行時,進風口如果不能嚴密關閉,夏季熱濕空氣侵入會造成金屬表面和室內墻面結露;冬季冷空氣侵入將使室溫降低,甚至使加熱排管凍結。所以規定進風口處應設有嚴密關閉的閥門,寒冷和嚴寒地區宜設保溫閥門。
8.3.20 本條規定了空氣調節系統的排風出路和風量平衡。
考慮空氣調節系統的排風出路(包括機械排風和自然排風)及進行空氣調節系統的風量平衡計算,是為了使室內正壓不要過大,造成新風無法正常送入。
機械排風設施可采用設回風機的雙風機系統或設置專用排風機,排風量還應隨新風量變化,如采取控制雙風機系統各風閥的開度或排風機與新風機連鎖控制風量等自控措施。
8.3.21 本條規定了空氣處理機組的設置及安裝位置。
空氣處理機組安裝在空調機房內,有利于日常維修和噪聲控制。
空氣處理機組安裝在鄰近所服務的空調區機房內,可減小空氣輸送能耗和風機壓頭,也可有效地減小機組噪聲和水患的危害。新建筑設計時,應將空氣處理機組安裝在空調機房內,并留有必要的維修通道和檢修空間;同時宜避免由于機房面積的原因,機組的出風風管采用突然擴大的靜壓箱來改變氣流方向,以導致機組風機壓頭損失較大,造成實際送風量小于設計風量的現象發生。
為降低風機和水泵運行時的振動對工藝生產和操作人員的影響,空調機組所配的風機和水泵應設置良好的減振裝置,對于某些精密加工生產工藝對微振要求很高時,風機和水泵可設置多級減振。
為保證空氣處理機組表冷器凝結水排水順暢,應根據機組排水處的壓力合理設置排水水封。排水水封的做法可參照圖1;圖1(a)適合于排水處為負壓,圖1(b)適合于排水處為正壓。

圖1 排水水封
通常情況下,空氣處理機組的漏風率及噪聲滿足現行國家標準《組合式空調機組》GB/T 14294即可,但對于特殊工藝要求的空氣調節系統,如溫、濕度控制精度要求高,濕度要求極低的干房等,若空氣處理機組的漏風量大,將直接影響房間參數的保證,所以應降低空氣處理機組的漏風率。同樣,對于房間噪聲要求嚴格的空調房間,如微波暗室、消聲室等,其空氣調節系統的空氣處理機組噪聲應降低。
8.4 氣流組織
8.4.1 本條是關于空氣調節區的氣流組織的規定。
本條規定了進行氣流組織設計時應考慮的因素,強調進行氣流組織設計時除要考慮室內溫度、相對濕度、允許風速噪聲等要求外,結合工業建筑的特點,還應考慮工藝設備和生產工藝對氣流組織的要求以及溫、濕度梯度等要求。
8.4.2 本條規定了空氣調節區的送風方式及送風口選型。
空氣調節區內良好的氣流組織需要通過合理的送、回風方式以及送、回風口的正確選型和合理的布置來實現。
側送時宜使氣流貼附以增加送風的射程,改善室內氣流分布。工程實踐中發現風機盤管送風如果不貼附,則室內溫度分布不均勻。本條增加了電子信息系統機房地板送風等方式。
1 方形、圓形、條縫形散流器或孔板等頂部平送均能形成貼附射流,對室內高度較低的空氣調節區既能滿足使用要求,又比較美觀,因此當有吊頂可利用或建筑上有設置吊頂的可能時,采用這種送風方式是比較合適的。對于室內高度較高的空氣調節區,以及室內散濕量較大的生產空氣調節區,當采用散流器時,應采用向下送風,但布置風口時應考慮氣流的均布性。
在一些室溫允許波動范圍小的工藝性空氣調節區中,采用孔板送風的較多。根據測定可知,在距孔板100mm~250mm的匯合段內,射流的溫度、速度均已衰減,可達到±0.1℃的要求,且區域溫差小,在較大的換氣次數下(達32次/h),人員活動區風速一般均在0.09m/s~0.12m/s范圍內。所以在單位面積送風量大,且人員活動區要求風速小或區域溫差要求嚴格的情況下,應采用孔板向下送風。
2 對于一些無吊頂的房間,如機加工車間、裝配車間等,可根據工藝生產設備的布置情況,房間的層高等因素選擇雙層百葉風口側送,當房間比較高時,可采用噴口側送,直片散流器和旋流風口等頂送或地板風口下送風方式。
3 側送是目前幾種送風方式中比較簡單經濟的一種。在一般空氣調節區中,大都可以采用側送。當采用較大送風溫差時,側送貼附射流有助于增加氣流的射程長度,使氣流混合均勻,既能保證舒適性要求,又能保證人員活動區溫度波動小的要求。側送氣流宜貼附頂棚。生產工藝和人員活動區對風速有要求時,不應采用側送。
4 對于溫、濕度允許波動范圍要求不太嚴格的高大廠房,采用頂部散流器貼附送風或雙層百葉風口貼附送風等方式,送風氣流很難到達工作區,工作區的溫、濕度也難以保證,因此規定在上述建筑物中宜采用噴口或旋流風口送風方式。由于噴口送風的噴口截面大,出口風速高,氣流射程長,與室內空氣強烈摻混,能在室內形成較大的回流區,達到布置少量風口即可滿足氣流均布的要求,同時具有風管布置簡單、便于安裝、經濟等特點。此外,向下送風時采用旋流風口亦可達到滿意的效果。
經過處理或未經處理的空氣以略低于室內工藝操作區的溫度直接以較低的速度送入室內,送風口置于地板附近,排風口置于屋頂附近。送入室內的空氣先在地板上均勻分布,然后被熱源(人員、設備等)加熱以熱煙羽的形式形成向上的對流氣流,將余熱和污染物排出工藝操作和設備區。
5 對于工業建筑,高大空間的空調區域通常有以下兩種情況:第一種情況,工藝生產對整個空間的溫、濕度均有嚴格要求,且對溫、濕度梯度也有嚴格要求,此時宜采用百葉風口或條縫形風口在房間的高度方向上分多層側送風,回風口宜設置在對面,相應的作多層回風;第二種情況,工藝生產只對房間下部,即生產操作區的溫、濕度有較嚴格要求,而對房間上部空間溫、濕度無嚴格要求,此時宜采用百葉風口、條縫形風口或噴口等僅對房間下部進行側送,以節省能量。
6 變風量空氣調節系統的送風參數通常是保持不變的,它是通過改變風量來平衡負荷變化以保持室內參數不變的。這就要求在送風量變化時,為保持室內空氣質量的設計要求以及噪聲要求,所選用的送風末端裝置或送風口應能滿足室內空氣溫度及風速的要求。用于變風量空氣調節系統的送風末端裝置應具有與室內空氣充分混合的性能,如果在低送風量時,應能防止產生空氣滯留,在整個空氣調節區內具有均勻的溫度和風速,而不能產生吹風感,尤其在組織熱氣流時,要保證氣流能夠進入生產操作區,而不至于在上部區域滯留。
7 對于熱密度大、熱負荷大的電子信息系統機房,采用下送風、上回風的方式有利于設備的散熱;對于高度超過1.8m的機柜,采用下送風、上回風的方式可以減少機柜對氣流的影響。隨著電子信息技術的發展,機柜的容量不斷提高,設備的發熱量將隨容量的增加而加大,為了保證電子信息系統的正常運行,對設備的降溫也將出現多種形式,各種方式之間可以相互補充。
8 低溫送風的送風口所采用的散流器與常規散流器相似。兩者的主要差別是:低溫送風散流器所適用的溫度和風量范圍較常規散流器廣。在這種較廣的溫度與風量范圍下,必須解決好充分與空氣調節區空氣混合、貼附長度及噪聲等同題。選擇低溫送風散流器就是通過比較散流器的射程、散流器的貼附長度與空氣調節區特征長度三個參數,確定最優的性能參數。選擇低溫送風散流器時,一般與常規方法相同,但應對低溫送風射流的貼附長度予以重視。在考慮散流器射程的同時,應使散流器的貼附長度大于空氣調節區的特征長度,以避免人員活動區吹冷風現象。
8.4.3 本條規定了采用散流器送風的要求,為新增條文。
1 采用平送貼附射流的散流器,為了保證貼附射流有足夠射程,并不產生較大的噪聲,所以規定了散流器的喉部風速,送熱風時可取較大值;
2 為了便于散流器的風量調節,使房間的風量接近設計值或使房間的風量分布均勻,每個散流器宜帶風量調節裝置;
3 根據空調房間的大小和室內所要求的環境參數選擇散流器的個數,一般按對稱位置或梅花形布置。散流器之間的間距和離墻的距離,一方面應使射流有足夠射程,另一方面又應使射流擴散好。規定最大長寬比主要是考慮送風氣流分布均勻。
8.4.4 本條規定了貼附側送風的要求。
貼附射流的貼附長度主要取決于側送氣流的阿基米德數。為了使射流在整個射程中都貼附在頂棚上而不致中途下落,就需要控制阿基米德數小于一定的數值。
側送風口安裝位置距頂棚愈近,愈容易貼附。如果送風口上緣離頂棚距離較大時,為了達到貼附目的,規定送風口處應設置向上傾斜10°~20°的導流片。
8.4.5 本條規定了孔板送風的要求。
1 本款規定的穩壓層最小凈高不應小于0.2m,主要是從滿足施工安裝的要求上考慮的。
2 風速的規定是為了穩壓層內靜壓波動小。
3 在一般面積不大的空氣調節區中,穩壓層內可以不設送風分布支管。根據實測,在6m×9m的空氣調節區內(室溫允許波動范圍為±0.1℃和±0.5℃)采用孔板送風,測試過程中將送風分布支管裝上或拆下,在室內均未曾發現任何明顯的影響。因此除送風射程較長的以外,穩壓層內可不設送風分布支管。
4 當穩壓層高度較低時,穩壓層進風的送風口一般需要設置導流板或擋板,以免送風氣流直接吹向孔板。
5 當送冷熱風時,需在穩壓層側面和頂部加保溫措施。穩壓層還要求有良好的氣密性以減少漏風。
8.4.6 本條規定了噴口送風的要求。
1 降人員操作區置于氣流回流區是從滿足衛生標準的要求而制訂的。
2 噴口送風的氣流組織形式和側送是相似的,都是受限射流。受限射流的氣流分布與建筑物的幾何形狀、尺寸和送風口安裝高度等因素相關。送風口安裝高度太低,則射流易直接進入人員活動區;太高則使回流區厚度增加,回流速度過小,兩者均影響舒適感。根據模型實驗,當空氣調節區寬度為高度的3倍時,為使回流區處于空氣調節區的下部,送風口安裝高度不宜低于空氣調節區高度的0.5倍。
3 對于兼作熱風供暖的噴口送風系統,為防止熱射流上翹,設計時應考慮使噴口有改變射流角度的可能性。
8.4.7 本條規定了電子信息系統機房采用活動地板下送風的要求,為新增條文。
1 隨著電子信息產業的發展,機柜的發熱功率越來越大,為了減少空調系統的送風量,并保證機柜的冷卻效果,宜將空調系統處理過的低溫空氣全部通過機柜,所以將送風口全部布置在冷通道區域內,并靠近機柜進風口處。
2 同一個信息機房內,布置的機柜型號不完全相同,有高密度型,也有低密度型,不同機柜的發熱量相差比較大,且即使在一個房間內不同區域的機柜布置密度也不盡相同,所以為便于房間的溫度調節,各區域的送風量應該可以調節。
有些機房的個別區域密布高密度機柜,該區域的發熱量很大,即使在該區域滿布開孔的架空地板,也難以消除設備的高發熱,所以必要時應在該區域的送風口下方設置加壓風扇,加大送風量。
3 近幾年,隨著信息技術的發展,機柜的數據存儲量越來越大,相應的機柜發熱功率也越來越大,機房的單位面積送風量也隨之增大,為了減小地板送風口的出口風速,降低地板送風口的阻力,宜采用開孔率大的地板送風口。
8.4.8 本條規定了分層空氣調節的空氣分布。
1 在高大廠房中,當上部溫、濕度無嚴格要求時,利用合理的氣流組織,僅對下部空間(空氣調節區域)進行空氣調節,對上部較大空間(非空氣調節區域)不設空氣調節而采用通風排熱,這種分層空氣調節具有較好的節能效果,一般可達30%左右。
實踐證明,對于高度大于10m,容積大于10000m3的高大空間,采用雙側對送、下部回風的氣流組織方式是合適的,能夠達到分層空氣調節的要求。當空氣調節區跨度小于18m時,采用單側送風也可以滿足要求。
2 為強調實現分層,即能形成空氣調節區和非空氣調節區,本款提出“側送多股平行氣流應互相搭接”,以便形成覆蓋。雙側對送射流末端不需要搭接,按相對噴口中點距離的90%計算射程即可。送風口的構造應能滿足改變射流出口角度的要求。送風口可選用圓噴口、扁噴口和百葉風口,實踐證明,都是可以達到分層效果的。
3 在高大廠房中,如僅對下部空間(空氣調節區域)進行空氣調節,對上部較大空間(非空氣調節區域)不設空氣調節而采用通風排熱,為保證分層,使下部空氣調節區的氣流與上部非空調區域的通風排熱氣流減少交叉和混合,當下部空氣調節區采用下送風時,回風口應布置在下部空氣調節區域內的側邊上部。
4 為保證空氣調節區達到設計要求,應減少非空氣調節區向空氣調節區的熱轉移。為此,應設法消除非空氣調節區的散熱量。實驗結果表明,當非空氣調節區的散熱量大于4.2W/m3時,在非空氣調節區適當部位設置送、排風裝置排除余熱,可以達到較好的效果。
8.4.9 本條規定了空氣調節系統上送風方式的夏季送風溫差。
空氣調節系統夏季送風溫差,對室內溫、濕度效果有一定影響是決定空氣調節系統經濟性的主要因素之一。在保證既定的技術要求的前提下,加大送風溫差有突出的經濟意義。送風溫差加大一倍,送風量可減少一半,系統的材料消耗和投資(不包括制冷系統)約減少40%,而送風動力消耗則可減少50%;送風溫差在4℃~8℃之間每增加1℃,風量可以減少10%~15%。所以在空氣調節設計中,正確地決定送風溫差是一個相當重要的問題。
送風溫差的大小與送風方式關系很大,對于不同送風方式的送風溫差不能規定一個定值。所以確定空氣調節系統的送風溫差時,必須和送風方式結合起來考慮。對混合式通風可加大送風溫差,但對置換通風就不宜加大送風溫差。
表8.4.9中所列的送風溫差的數值適用于貼附側送、散流器平送和孔板送風等方式。多年的實踐證明,對于采用上述送風方式的工藝性空氣調節區來說,應用這樣較大的送風溫差能夠滿足室內溫、濕度要求,也是比較經濟的。人員活動區處于下送氣流的擴散區時,送風溫差應通過計算確定。條文中給出的舒適性空氣調節的送風溫差是參照室溫允許波動范圍大于±1.0℃的工藝性空氣調節的送風溫差,并考慮空氣調節區高度等因素確定的。
8.4.10 本條規定了空氣調節區的換氣次數。
空氣調節區的換氣次數系指該空氣調節區的總送風量與空氣調節區體積的比值。換氣次數和送風溫差之間有一定的關系。對于空氣調節區來說,送風溫差加大,換氣次數即隨之減少,本條所規定的換氣次數是和本規范第8.4.9條所規定的送風溫差相適應的。
實踐證明,在室溫允許波動范圍大于±1.0℃工藝性空氣調節區和一般舒適性空氣調節中,換氣次數的多少不是一個需要嚴格控制的指標,只要按照所取的送風溫差計算風量,一般都能滿足室溫要求,當室溫允許波動范圍小于或等于±1.0℃時,換氣次數的多少對室溫的均勻程度和自控系統的調節品質的影響就需考慮了。據實測結果,在保證室溫的一定均勻度和自控系統的一定調節品質的前提下,歸納了如條文中所規定的在不同室溫允許波動范圍時的最小換氣次數。
對于通常所遇到的室內散熱量較小的空氣調節區來說,換氣次數采用條文中規定的數值就已經夠了,不必把換氣次數再增多;不過對于室內散熱量較大的空氣調節區來說,換氣次數的多少應根據室內負荷和送風溫差大小通過計算確定,其數值一般都大于條文中所規定的數值。
8.4.11 本條規定了送風口的出口風速。
送風口的出口風速應根據不同情況通過計算確定,條文中推薦的風速范圍,是基于常用的送風方式制訂的。
(1)側送和散流器平送的出口風速受兩個因素的限制,一是回流區風速的上限,二是風口處的允許噪聲?;亓鲄^風速的上限與射流的自由度
/d0相關,根據實驗,兩者有以下關系:
式中:vh——回流區的最大平均風速(m/s);
v0——送風口出口風速(m/s);
d0——送風口當量直徑(m);
F——每個送風口所管轄的空氣調節區斷面面積(m2)。
當vh=0.25m/s時,根據式(12)得出的計算結果列于表7。
表7 出口風速(m/s)
因此側送和散流器平送的出口風速采用2m/s~5m/s是合適的。
(2)孔板下送風的出口風速從理論上講可以采用較高的數值。因為在一定條件下,出口風速高,相應的穩壓層內的靜壓也可高一些,送風會比較均勻,同時由于速度衰減快,提高出口風速后,不致影響人員活動區的風速。穩壓層內靜壓過高,會使漏風量增加;當出口風速高達7m/s~8m/s時,會有一定的噪聲,一般采用3m/s~5m/s為宜。
(3)條縫形風口下送多用于紡織廠,當空氣調節區層高為4m~6m,人員活動區風速不大于0.5m/s時,出口風速宜為2m/s~4m/s。
(4)噴口送風的出口風速是根據射流末端到達人員活動區的軸心風速與平均風速經計算確定的。
8.4.12 本條規定了回風口的布置方式。
1 對于工業建筑,經常會有發熱量比較大的設備,將回風口布置在這些發熱設備的附近,能使設備的散熱立即帶走,避免熱量的擴散,有利于房間溫度的保證。按照射流理論,送風射流引射著大量的室內空氣與之混合,使射流流量隨著射程的增加而不斷增大。而回風量小于(最多等于)送風量,同時回風口的速度場圖形呈半球狀,其吸風氣流速度與作用半徑的平方成反比,速度的衰減很快。所以在空氣調節區內的氣流流型主要取決于送風射流,而回風口的位置對室內氣流流型及溫度、速度的均勻性影響均很小。設計時,應考慮盡量避免射流短路和產生“死區”等現象。
2 采用側送時,把回風口布置在送風口同側,采用頂送時,回風口設置在房間的下部或下側部,效果會更好些。
3 關于走廊回風,其橫斷面風速不宜過大,以免引起揚塵和造成不舒適感。同時應保持走廊與非空氣調節區之間的密封性,以減少漏風,節省能量。
8.4.13 本條規定了回風口的吸風速度。
確定回風口的吸風速度(即面風速)時,主要考慮了三個因素:一是避免靠近回風口處的風速過大,防止對回風口附近經常停留的人員造成不舒適的感覺:二是不要因為風速過大而揚起灰塵及增加噪聲;三是盡可能縮小風口斷面,以節約投資。
8.5 空氣處理
8.5.1 本條規定了空氣冷卻方式。
1 空氣的蒸發冷卻有直接蒸發冷卻和間接蒸發冷卻之分。直接蒸發冷卻是利用噴淋水(循環水)的噴淋霧化或淋水填料層直接與待處理的室外新風空氣接觸。這時由于噴淋水的溫度一般都低于待處理空氣(即準備進入室內的新風)的溫度,空氣將會因不斷地把自身的顯熱傳遞給水而得以降溫;與此同時,噴淋水(循環水)也會因不斷吸收空氣中的熱量作為自身蒸發所耗,而蒸發后的水蒸氣隨后又會被氣流帶入室內。于是新風既得以降溫,又實現了加濕。所以這種利用空氣的顯熱換得潛熱的處理過程,既可稱為空氣的直接蒸發冷卻,又可稱為空氣的絕熱降溫加濕。待處理空氣通過直接蒸發冷卻所實現的空氣處理過程為等焓加濕降溫過程,其極限溫度能達到空氣的濕球溫度。
在某些情況下,當對待處理空氣有進一步的要求,如果要求較低的含濕量或比焓時,應采用間接蒸發冷卻。間接蒸發冷卻有三種主要形式。一種是利用一股輔助氣流先經噴淋水(循環水)直接蒸發冷卻,溫度降低后,再通過空氣-空氣換熱器來冷卻待處理空氣(即準備送入室內的空氣),并使乏降低溫度。由此可見,待處理空氣通過間接蒸發冷卻所實現的便不再是等焓加濕降溫過程,而是減焓等濕降溫過程,從而得以避免由于加濕而把過多的濕量帶入空調區。如果將上述兩種過程放在一個設備內同時完成,這樣的設備便成為間接蒸發冷卻器。第二種是間接蒸發冷卻器有兩個通道,第一通道通過待處理空氣,第二通道通過輔助氣流及噴淋水。在第一通道中水蒸發吸熱,第二通道輔助氣流把水冷卻到接近其濕球溫度,然后水通過盤管把另一側的待處理空氣冷卻下來。第三種是待處理空氣經過由蒸發冷卻冷水機組制取高溫冷水(16℃~18℃),使空氣減焓等濕降溫。待處理空氣通過間接蒸發冷卻所實現的空氣處理過程為等濕降溫過程,其極限溫度能達到空氣的露點溫度。
由于空氣的蒸發冷卻不需要人工冷源,只是利用水的蒸發吸熱以降低空氣溫度,所以是最節能的一種空氣降溫處理方式,常常用在紡織車間、高溫車間或干熱氣候條件下的空氣調節中。但是隨著對空氣調節節能要求的提高和蒸發冷卻空氣處理技術的不斷發展,空氣的蒸發冷卻在空氣調節工程中的應用必將得到進一步的推廣。特別是我國幅員遼闊,各地氣候條件相差很大,這種空氣冷卻方式在干熱地區(如新疆、西藏、青海、寧夏、甘肅、內蒙古、陜西、云南)是很適用的。
干燥地區(夏季空調室外計算濕球溫度通常在低于23℃的地區),夏季空氣的干球溫度高,濕球溫度低,含濕量低,不僅可直接利用室外干燥空氣消除空調區的濕負荷,還可以通過蒸發冷卻等來消除空調區的熱負荷。在新疆、西藏、青海、寧夏、甘肅、內蒙古、陜西、云南等地區,應用蒸發冷卻技術可大量節約空調系統的能耗。
2 對于溫度較低的江、河、湖水等,如西北部地區的某些河流、深水湖泊等,夏季水體溫度在10℃左右,完全可以作為空調的冷源。對于地下水資源豐富且有合適的水溫、水質的地區,當采取可靠的回灌和防止污染措施時,可適當利用這一天然冷源,并應征得地區主管部門的同意。
3 當無法利用蒸發冷卻,且又沒有水溫、水質符合要求的天然冷源可利用時,或利用天然冷源無法滿足空氣冷卻要求時,空氣冷卻應采用人工冷源,并在條件許可的情況下,適當考慮利用天然冷源的可能性,以達到節能的目的。
8.5.2 本條規定了空氣處理裝置的水質要求,為新增條文。
水與被處理空氣直接接觸。涉及室內空氣品質,并會影響空氣處理裝置的使用效果和壽命,如直接與被處理空氣接觸的水有異味或不衛生,會直接影響處理后空氣的品質,進而影響室內的空氣質量,同時水的硬度過高會加速換熱管結垢。
8.5.3 本條規定了空氣冷卻裝置的選擇。
1 直接蒸發冷卻是絕熱加濕過程,實現這一過程是直接蒸發冷卻裝置的特有功能,是其他空氣冷卻處理裝置所不能代替的。典型的直接蒸發冷卻裝置有噴水室和水膜式蒸發冷卻器。前者利用循環水的噴淋霧化與待處理的空氣接觸,后者利用淋水填料層與待處理的空氣接觸。
2 當夏季空調室外計算濕球溫度較高或空調區顯熱負荷較大,但無散濕量時,采用多級間接加直接蒸發冷卻器可以得到較大的送風溫差,以消除室內余熱。
3 當用地下水、江水、湖水等作冷源時,其水溫一般相對較高,此時若采用間接冷卻方式處理空氣,一般不易滿足要求。采用空氣與水直接接觸冷卻的雙級噴水室比前者更易滿足要求,還可以節省水資源。
4 采用人工冷源時,原則上選用空氣冷卻器和噴水室都是可行的??諝饫鋮s器由于其具有占地面積小,水的管路簡單,特別是可采用閉式水系統,可減少水泵安裝數量,節省水的輸送能耗,空氣出口參數可調性好等原因,它得到了比其他形式的冷卻器更加廣泛的應用。空氣冷卻器的缺點是消耗有色金屬較多,因此價格也相應地較貴。
噴水室可以實現多種空氣處理過程,尤其在要求保證較嚴格的露點溫度控制時,具有較大的優越性;噴水室采用的是水與空氣直接接觸進行熱、質交換的工作原理,在要求的空氣出口露點溫度相同情況下,其所需冷水的供水溫度可以比間接式冷卻器高得多;噴水室擋水板的間距較大(遠大于空氣冷卻器的翅片間距),且可以拆卸清理,處理含塵特別是短絨較多的空氣,不易導致堵塞。因此在紡織廠的空氣調節中,噴水室迄今是無可替代的。此外,噴水室設備制造比較容易,金屬材料消耗量少,造價便宜。但是采用噴水室時,冷水系統必須采用開式系統,靠重力回水。或者需要設置中間水箱,增加水泵,使水系統變得復雜化,既會增加輸送能耗,又會加大維修工作量。所以其應用受到一定的影響。
8.5.4 本條是關于采用空氣冷卻器的注意事項。
空氣冷卻器迎風面的空氣流速大小會直接影響其外表面的放熱系數。據測定,當風速在1.5m/s~3.0m/s范圍內,風速每增加0.5m/s,相應的放熱系數遞增率在10%左右。但是考慮到提高風速不僅會使空氣側的阻力增加,而且會把冷凝水吹走,增加帶水量,所以一般當質量流速大于3.0kg/(m2·s)時,應設擋水板。在采用帶噴水裝置的空氣冷卻器時,一般都應設擋水板。
規定空氣冷卻器的冷媒進口溫度應比空氣的出口干球溫度至少低3.5℃,是從保證空氣冷卻器有一定的熱質交換能力提出來的。在空氣冷卻器中,空氣與冷媒的流動方向主要為逆交叉流。一般認為,冷卻器的排數大于或等于4排時,可將逆交叉流看成逆流。按逆流理論推導,空氣的終溫是逐漸趨近冷媒初溫。
冷媒溫升宜為5℃~10℃,是從減小流量、降低輸配系統能耗的角度考慮確定的。
據實測,冷水流速在2m/s以上時,空氣冷卻器的傳熱系數K值幾乎沒有什么變化,但卻增加了冷水系統的能耗。冷水流速只有在1.5m/s以下時,K值才會隨冷水流速的提高而增加,其主要原因是水側熱阻對冷卻器換熱的總熱阻影響不大,加大水側放熱系數,K值并不會得到多大提高。所以從冷卻器傳熱效果和水流阻力兩者綜合考慮,冷水流速以取0.6m/s~1.5m/s為宜。
工業建筑的特點是空氣處理機組通常需要全年晝夜24h運行,嚴寒和寒冷地區空氣處理機組的表冷器經常發生凍結事故,所以設計中應采取必要措施,如表冷器設在加熱器后,若表冷器前無加熱器,則表冷器應有排水裝置,冬季能將水排空,以防止表冷器凍結事故發生。
8.5.5 本條規定了制冷劑直接膨脹式空氣冷卻器的蒸發溫度。
制冷劑蒸發溫度與空氣出口干球溫度之差和冷卻器的單位負荷、冷卻器結構形式、蒸發溫度的高低、空氣質量流速和制冷劑中的含油量大小等因素相關。根據國內空氣冷卻器產品設計中采用的單位負荷值、管內壁的制冷劑換熱系數和冷卻器肋化系數的大小,可以算出制冷劑蒸發溫度應比空氣的出口干球溫度至少低3.5℃,這一溫差值也可以說是在技術上可能達到的最小值。隨著今后蒸發器在結構設計上的改進,這一溫差值必將會有所降低。
空氣冷卻器的設計供冷量很大時,若蒸發溫度過低,會在低負荷運行的情況下,由于冷卻器的供冷能力明顯大于系統所需的供冷量,造成空氣冷卻器表面易于結霜,影響制冷機的正常運行。
8.5.6 本條是關于直接膨脹式空氣冷卻器的制冷劑選擇,為強制性條文。
為防止氨制冷劑泄漏時,經送風機直接將氨送至空調區,危害人體或造成其他事故,所以采用制冷劑直接膨脹式空氣冷卻器時,不得用氨作制冷劑。
8.5.7 本條是關于噴水室水溫升的要求。
冷水溫升主要取決于水氣比。在相同條件下,水氣比越大,冷水溫升越小。水氣比取大了,由于冷水溫升小,冷水系統的水泵容量就需相應增大,水的輸送能耗也會增大。這顯然是不經濟的。根據經驗總結,采用人工冷源時,冷水溫升取3℃~5℃為宜;采用天然冷源時,應根據當地的實際水溫情況,通過計算確定。
8.5.8 本條規定了擋水板的過水量。
擋水板后氣流中的帶水現象會引起空氣調節區的濕度增大。要消除帶水量的影響,則需額外降低噴水室的機器露點溫度,實際運行經驗表明,當帶水量為0.7g/kg時,機器露點溫度需相應降低1℃。機器露點溫度的額外降低必然導致處理空氣的耗冷量增加。因此在設計計算中,擋水板過水的影響是不容忽視的。
需要指出的是,機器露點溫度的額外降低也同時加大了送回風焓差,空調系統的通風量可得以減少??諝廨斔湍芎目梢虼硕档?。紡織廠的生產車間要求有較高的濕度且設備散熱量大,其空調系統往往通過適當控制擋水板的過水量而減少通風量,從而降低風機的能耗,當系統以最小新風量運行時,冷量增加是可以接受的。
擋水板的過水量大小與擋水板的材料、形式、折角、折數、間距、噴水室截面的空氣流速以及噴嘴壓力等相關。許多單位對擋水板過水量做過測定,但因具體條件不同,也略有差異。因此設計時可根據具體情況參照相關的設計手冊確定。
8.5.9 本條規定了空氣調節系統的熱媒及加熱器選型。
合理地選用空氣調節系統的熱媒是為了滿足空氣調節控制精確度和穩定性以及節能的要求。對于室內溫度要求控制的允許波動范圍等于或大于±1.0℃的場合,采用熱水作為熱媒是可以滿足要求的。
地處嚴寒和寒冷地區的新風集中處理系統以及全新風系統,工程實測數據表明,其一級加熱器的上部和下部的空氣溫差很大,如設計或運行不當,加熱器的下部銅管很容易凍裂,所以應設計防凍措施。防凍措施需要根據情況選用,具體如下:
(1)采用電動保溫型新風閥并與風機連鎖;
(2)分設預熱盤管和加熱盤管,預熱盤管結構形式應利于防凍,預熱盤管熱水和空氣應順流;
(3)加熱盤管后設溫度檢測裝置,低于5℃時停機保護;
(4)加熱器設置循環水泵,以加大循環水量;
(5)當空調箱比較高時,應在高度方向上分隔成多層,防止出現大的溫度梯度;
(6)設混風閥,必要時通過開啟混風閥關小新風閥,提高加熱器前空氣溫度。
8.5.10 本條規定了送風末端設置精調加熱器或冷卻器,為新增條文。
當室內溫度允許波動范圍小于±1.0℃時,原規范規定設置精調電加熱器,工程實例證明,當室內溫度允許波動范圍小于±1.0℃,甚至接近±0.02℃時,送風末端設置空氣加熱器或空氣冷卻器,且熱水或冷凍水的供水溫度與室溫相差不大時,也是一種很好的保證高精度溫度的方法,所以本條規定不僅設置精調電加熱器一種方式。
8.5.11 本條是關于兩管制水系統的冷、熱盤管選用,為新增條文。
許多兩管制的空調水系統中,空氣的加熱和冷卻處理均由一組盤管來實現。設計時,通常以供冷量來計算盤管的換熱面積,當盤管的供冷量和供熱量差異較大時,盤管的冷水和熱水流量相差也較大,會造成電動控制閥在供熱工況時的調節性能下降,對控制不利。另外,熱水流量偏小時,在嚴寒或寒冷地區,也可能造成空調機組的盤管凍裂現象出現。
綜合以上原因,本條對兩管制的冷、熱盤管選用作了規定。
8.5.12 本條是關于新風、回風的過濾及凈化,為新增條文。
工藝性空氣調節,其空氣過濾器應按相關規范要求設置。舒適性空氣調節,一般都有一定的潔凈度和室內衛生要求,因此送入室內的空氣都應通過必要的過濾處理;同時為防止盤管的表面積塵嚴重影響其熱濕交換性能,進入盤管的空氣也需進行過濾處理。
當過濾處理不能滿足要求時,如在化工、石化等企業廠區內或其周邊區域內,室外空氣中可能含有化學物質,化學物質會隨著新風不斷進入空氣調節房間,室內空氣中化學物質的濃度終將與室外空氣相同。當室外空氣中某種或某幾種化學物質的濃度超過室內該化學物質許用限值時,室內空氣中該化學物質的濃度終將超過其許用限值。此時,新風是室內空氣污染源,故應經化學過濾處理,以移除該化學物質。
如石化企業的中央控制室(CCR)、分散系統控制室(DCS)和現場機柜間(FAR)等,工藝對室內空氣中硫化氫和二氧化硫的最高容許濃度有要求,而廠區室外空氣中難免含有該兩種化學物質,因此石化企業的中控室、DCS機柜間的新風系統普遍設置化學過濾器。
有些行業,如電子工業對生產環境中化學污染物有較嚴格要求,超出限值會影響產品的質量,且各生產工序有時需要在一個大的空間內進行,不便進行物理隔離,各生產工序釋放的化學物質交叉污染,相互影響,此時只能對房間的回風進行化學過濾。
8.5.13 本條規定了空氣過濾器的設置。
1 根據現行國家標準《空氣過濾器》GB/T 14295的規定,空氣過濾器按其性能可分為粗效過濾器、中效過濾器、高中效過濾器及亞高效過濾器,其中,中效過濾器額定風量下的計數效率為:70%>E≥20%(粒徑≥0.5μm)。
為降低能耗,應選用低阻、高效的濾料;為降低運行費用,過濾器的濾料宜選用能清洗的材料,但清洗后的濾料性能不能明顯降低;為延長過濾器的更換周期,過濾器應選用容塵量大的濾料制作。另外,為滿足消防要求,過濾器的濾料和封堵膠的燃燒性能不應低于B2級。
2 對于工藝性空氣調節系統,如果空氣調節系統僅設置粗效過濾器不能滿足生產工藝要求,系統中還應設置中效過濾器;對于舒適性空氣調節,隨著人們對工作環境要求的提高,通??諝庹{節系統中僅設置一級粗效過濾器是不夠的,宜設置中效過濾器。
3 空氣調節系統計算風機壓頭時,過濾器的阻力應按其終阻力計算。空氣過濾器額定風量下的終阻力分別為:粗效過濾器100Pa,中效過濾器160Pa。
4 過濾器應具備更換條件,抽出型的應留有抽出空間,需進入設備內更換的應留有檢修門等。
8.5.14 本條規定了加濕裝置的選擇,為新增條文。
目前,常用的加濕裝置有干蒸汽加濕器、電加濕器、高壓微霧加濕器、高壓噴霧加濕器、濕膜加濕器等。
1 干蒸汽加濕器具有加濕迅速、均勻、穩定,并不帶水滴,有利于細菌的抑制等特點,因此在有蒸汽源可利用時,宜優先考慮采用干蒸汽加濕器。
2 空氣調節區濕度控制精度要求較嚴格,一般是指濕度控制精度小于或等于±5%的情況。常用的電加濕器有電極式、電熱式蒸汽加濕器。該加濕器具有蒸汽加濕的各項優點,且控制方便、靈活,可以滿足空氣調節區對相對濕度允許波動范圍嚴格的要求。高壓微霧加濕器通過不同的開關量組合,也可以達到較嚴格的相對濕度允許波動范圍要求。但前兩種加濕器耗電量大,運行、維護費用較高,適用于加濕量比較小的場合。當加濕量較大時,宜采用淋水加濕器,淋水加濕器前通常設置加熱器,通過控制加熱器后的溫度來控制加濕量,從而達到較嚴格的相對濕度精度要求。
3 濕度控制精度要求不高,一般是指大于或等于±10%的情況。
高壓噴霧加濕器和濕膜加濕器等絕熱加濕器具有耗電量低、初投資及運行費用低等優點,在普通民用建筑中得到廣泛應用,但該類加濕易產生微生物污染,衛生要求較嚴格的空氣調節區不應采用。
4 淋水加濕器的空氣處理為等焓過程,當新風集中處理時,為滿足生產車間內相對濕度要求,通常在淋水加濕器前的加熱器需要將空氣加熱到較高的溫度,這就限制了工廠低溫余熱的利用。如將淋水室加濕方式改為溫水淋水加濕方式,即室外新風淋水加濕前用空氣加熱器對之加熱的同時,淋水室噴淋系統的循環水也采取加熱措施,使淋水溫度提高,這樣淋水室空氣的處理過程介于等焓和等溫過程之間,所以加濕前不需要將空氣加熱到較高的溫度,通常只需25℃左右,同時將淋水室的循環水也加熱到25℃左右,使之與空氣加熱器后的空氣溫度基本一致。這樣淋水加濕器和空氣加熱器熱水供水溫度可降低,使工廠內大量的低溫余熱熱水得以充分利用。
5 某些生物、醫藥、電子等工廠的生產工藝對空氣中化學物質有嚴格要求,若采用傳統的加濕方式,工業蒸氣或自來水中的某些雜質將通過加濕系統進入到生產車間,從而影響工藝生產。針對上述對空氣中化學物質有要求的空氣調節區,其空氣處理系統的加濕如采用蒸汽加濕方式,其加濕源應是潔凈蒸汽,如采用淋水加濕方式,其循環淋水系統的補充水應是初級純水。
6 二流體加濕為壓縮空氣和水對噴使水霧化,或使用壓縮空氣經過文丘里管將水霧化,產生幾十微米直徑或更細微的霧點,從而使霧化的水進入空氣中。該過程為等焓加濕,霧化的水珠汽化過程中吸收顯熱,在增加空氣濕度的同時使空氣的溫度降低,可以說是一舉兩得,有較明顯的節能效果,但這種加濕方式缺點是濕度控制精度不高,所以比較適合于生產車間有大量余熱,且濕度控制精度要求不嚴格的場合。
7 一方面,由于加濕處理后的空氣中如含有雜質,會影響室內空氣質量;另一方面,如加濕器供水中含有顆粒、雜質,會堵塞加濕器的噴嘴,直接影響加濕器的正常工作,因此加濕器的供水水質應符合衛生標準及加濕器供水要求,可采用生活飲用水等。
8.5.15 本條是對空氣進行聯合除濕處理的規定,為新增條文。
近幾年,制藥、電子、鋰電池、夾層玻璃、印刷制品等行業的有些生產車間或倉庫有低濕環境的要求,通常這些房間的溫度為常溫,即23℃左右,但要求的相對濕度不大于35%或更低。當房間所要求的溫、濕度所對應的露點溫度低于6℃時,僅采用空氣冷卻器對空氣進行處理很難達到低濕度要求,也不經濟,因此推薦采用聯合除濕的方法。比較常用的做法是先用空氣冷卻器對新風進行冷卻除濕,該部分新風處理后與房間的回風混合,再采用干式除濕方法,如轉輪除濕機,或其他除濕方法,如溶液除濕、固體除濕對空氣進行進一步除濕處理。當采用轉輪除濕機對空氣進行除濕處理時,由于轉輪除濕機對空氣除濕的同時空氣的溫度也急劇升高,為保證房間的溫度,經轉輪除濕后的干空氣還應經空氣冷卻器干冷卻后才能送入房間。
8.5.16 本條是關于恒溫恒濕空氣調節系統新風應預先單獨處理或集中處理的規定。
8.5.17 本條是關于空調系統避免冷卻和加熱、加濕和除濕相互抵消現象的規定。
現在對相對濕度有上限控制要求的空氣調節工程越來越多。這類工程雖然只要求全年室內相對濕度不超過某一限度,比如60%,并不要求對相對濕度進行嚴格控制,但實際設計中對夏季的空氣處理過程卻往往不得不采取與恒溫恒濕型空氣調節系統相類似的做法。所以在這里有必要特別提出,并把它們歸并于一起討論。
過去對恒溫恒濕型或對相對濕度有上限控制要求的空氣調節系統,大都采用新風和回風先混合,然后經降溫去濕處理,實行露點溫度控制加再熱式控制。這必然會帶來大量的冷熱抵消,導致能量的大量浪費。本條力圖改變這種狀態。近年來,不少新建集成電路潔凈廠房的恒溫恒濕空氣調節系統采用新的空氣處理方式,成功地取消了再熱,而相對濕度的控制允許波動范圍可達±5%。這表明新條文的規定是必要的、現實的。
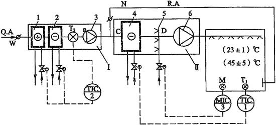
本條規定不僅旨在避免采用上述耗能的再熱方式,而且也意在限制采用一般二次回風或旁通方式。因采用一般二次回風或旁通,盡管理論上說可起到減輕由于再熱引起的冷熱抵消的效應,但經實踐證明,如完全依靠二次回風來避免出現冷熱抵消現象,其控制較難實現。這里所提倡的實質上是采取簡易的解耦手段,把溫度和相對濕度的控制分開進行。譬如,采用單獨的新風處理機組專門對新風空氣中的濕負荷進行處理,使之一直處理到相應于室內要求參數的露點溫度,然后再與回風相混合,經干冷降溫到所需的送風溫度即可。這一系統的組成、空氣處理過程、自動控制原理及其相應的夏季空氣焓圖見圖2和圖3。

圖2 大中型精密恒溫恒濕空調系統的空氣熱濕處理和自控原理
Ⅰ-新風處理機組,Ⅱ-主空氣處理機組;1-新風預加熱器;
2-新風空氣冷卻器:3-新風風機;4-空氣干冷冷卻器;5-加濕器;6-送風機
圖3 在焓濕圖上表示的夏季空氣處理過程
如果系統是直流式系統或新風量比例很大,則新風空氣經過處理后與回風空氣混合后的溫度有可能低于所需的送風溫度。在這種情況下再熱便成為不可避免,否則相對濕度便會控制不住。
至于當相對濕度控制允許波動范圍很小,比如±(2%~3%)時,情況可能會不同。因為在所述的空氣調節控制系統中,夏季濕度控制環節采用的恒定露點溫度控制,對室內相對濕度參數而言終究還是低級別的開環性質的控制。
這里用“不宜”而沒有用“不應”作出規定,是因為有例外。如對于小型空調系統,不能生硬地規定不允許冷熱抵消、加濕去濕抵消,這是因為:
(1)再熱損失(即冷熱抵消量的多少)與送風量的大小(即系統的大小)成正比例關系。系統規模越大,改進節能的潛力越大。小型系統規模小,即使用再熱有一些冷熱抵消,數量有限。
(2)小型系統常采用整體式恒溫恒濕機組,使用方便、占地面積小,在實用中確實有一定的優勢,因此不應限制使用。況且對于小型系統,如果再另外加設一套新風處理機組也不現實。這里“大、中型”意在定位于通常高度為3m左右,面積在300m2以上的恒溫恒濕空氣調節區對象。對于這類對象適用的恒溫恒濕機組的容量大致為:風量10000m3/h,冷量約56kW?,F在也有將恒溫恒濕機組越做越大的現象。這是不節能、不經濟、不合理的。因為:
(1)恒溫恒濕機本身難以對溫度和相對濕度實現解耦控制,難以避免因再熱而引起大量的冷熱抵消;
(2)系統容量大,因冷卻和加熱、加濕和除濕相互抵消而引起的能耗量更會令人難以容忍;
(3)其冬季運行全靠電加熱供暖,與電爐取暖并無不同。系統容量大,這種能源不能優質優用的損失也必然隨著增大。
凈化熱線:
15000180527
郵箱:
15000546345@163.com
地址:
上海沈磚公路5666號臨港科技城
免費量房
獲取案例
免費報價
聯 系 人:張先生
聯系方式:15000180527
聯系郵箱:15000546345@163.com
公司地址:上海沈磚公路5666號臨港科技城
主要為浦東、閔行、松江、奉賢、金山、青浦、嘉興、嘉善、蘇州、無錫、南通等上海周邊地區客戶提供辦公室凈化、辦公樓凈化設計、廠房凈化設計及工廠鋼結構搭建,無塵凈化車間裝飾凈化服務。